帶電作業用凸點絕緣膠墊絕緣毯的要求是什么
帶電作業用絕緣膠墊(毯)的要求
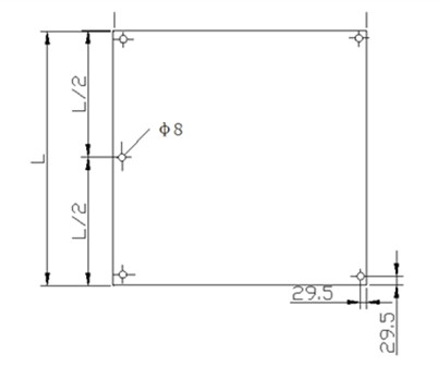
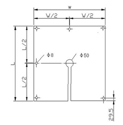
1帶點用絕緣膠墊(毯)樣式 絕緣膠墊(毯)的形狀可以使平展式的,也可以是開槽式的

圖8-1 平展式絕緣膠墊

圖8-2 開槽式絕緣膠墊
2帶點用絕緣膠墊(毯)尺寸 絕緣膠墊(毯)尺寸及允許誤差見表8-5
表8-5 絕緣毯尺寸及允許誤差
|
尺寸* |
|||
|
平展式 |
開槽式 |
||
|
長度L(mm) |
寬度W(mm) |
長度L(mm) |
寬度W(mm) |
|
910 |
305 |
- |
- |
|
560 |
560 |
560 |
560 |
|
910 |
690 |
910 |
910 |
|
910 |
910 |
- |
- |
|
2338 |
910 |
1160 |
1160 |
*除了1160×1160開槽式絕緣毯外,允許誤差均為±15mm;開槽式1160×1160絕緣毯的允許誤差為±25mm。
3厚度。
1)為了有適合的柔軟度,絕緣毯的最大厚度規定見表8-6。
表8-6 絕緣毯的最大厚度(mm)
|
級別 |
0 |
1 |
2 |
3 |
|
橡膠類材料絕緣毯 |
2.2 |
3.6 |
3.8 |
4.0 |
|
塑膠類材料絕緣毯 |
1.0 |
1.5 |
2.0 |
- |
2)最小厚度不予限定,但必須通過DL/T 803 《帶電作業用絕緣毯》所規定的實驗。
3)A H M S類和Z類絕言譚所需增加的額外厚度不應超過0.6mm。
4工藝及成型。絕緣毯上下表變應不存在有害的不規則性。有害的不規則性是指下列特征之一:破壞其不均勻性損壞表面光滑輪廓的缺陷,如小孔裂縫局部隆起切口夾雜導電異物折縫空隙凹凸博文及鑄造標志等。無害的不規則性是指在生產過程中形成的表面不規則性。如果其不規則性是屬于以下狀況,則是可以接受的。
1)凹凸的直徑不大于1.6mm,邊緣光滑,當凹陷處的反面包敷在拇指上擴展時,正面不應有可見痕跡。
2)絕緣毯上如1)中描述的凹陷在5個以下,且任意兩個凹陷之間的距離大于15mm。
3)當拉伸時,凹槽或模型標志趨向于平滑的表面。
4)表面上由雜志形成的凸塊不影響材料的延展。


